Kevin Lightner's Personal Minimoog Files

In 2015, Moog asked Kevin's estate for any notes and documentation I could find of Kevin's for their upcoming reissue of the Minimoog Model D. I wanted to make sure this reissue would be successful, so I donated the following files. All personal information has been removed.

Synthfool has always been advertisement free since 1996.
If you've found this website useful, please consider donating towards its upkeep.


Flat rate repairs for Minimoogs
IMG_0022.JPG
IMG_0319.JPG
IMG_0320.JPG
IMG_0321.JPG
IMG_0322.JPG
IMG_0323.JPG
IMG_0324.JPG
IMG_0329.JPG
IMG_0330.JPG
IMG_0331.JPG
IMG_0332.JPG
IMG_0333.JPG
IMG_0334.JPG
IMG_0350.JPG
IMG_0352.JPG
IMG_0358.JPG
IMG_0359.JPG
IMG_0361.JPG
IMG_0371.JPG
IMG_0372.JPG
IMG_0373.JPG
IMG_0374.JPG
IMG_0394.JPG
IMG_0401.JPG
IMG_0404.JPG
IMG_0407.JPG
IMG_0408.JPG
IMG_0409.JPG
IMG_0417.JPG
IMG_0418.JPG
IMG_0419.JPG
IMG_0422.JPG
IMG_0423.JPG
IMG_0424.JPG
IMG_0425.JPG
IMG_0426.JPG
IMG_0427.JPG
IMG_0428.JPG
IMG_0429.JPG
IMG_0430.JPG
IMG_0431.JPG
IMG_0433.JPG
IMG_0434.JPG
IMG_0588.JPG
IMG_0589.JPG
IMG_0590.JPG
IMG_5218.JPG
IMG_5220.JPG
LM3914 version for c..
MINIMOOGsheet.jpg
MVI_1208.AVI
Mini external cv in/
Mini lit wheels/
MiniMoog Repairs.doc
Minimoog Changes2.rtf
Minimoog wire colors.
Nick's Minimoog/
Paul's Mini
RA mini tricks
To add CV and GATE t..
Want a nice Minimoog
donsnewwavewafers.jpg
industrial.pdf
kevs minimoog
led mod for minimoog...
led wheels/
mini.avi
minimods.gif
minimoog eval
mof for bad sync mod.
moog_minimoog_cv_mod.
moog_minimoog_cv_ori..
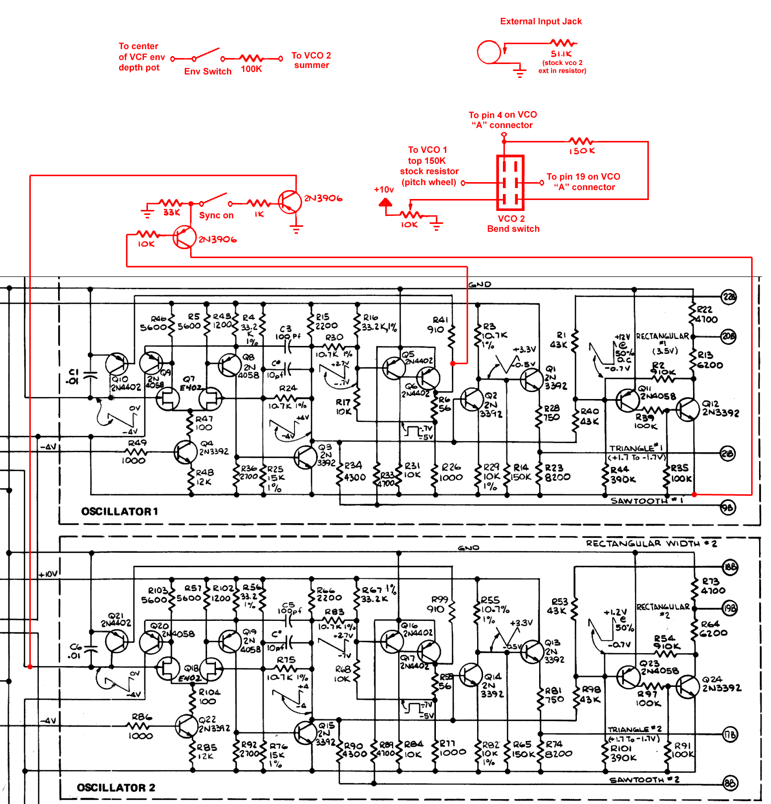
vco sync mod schemo.png
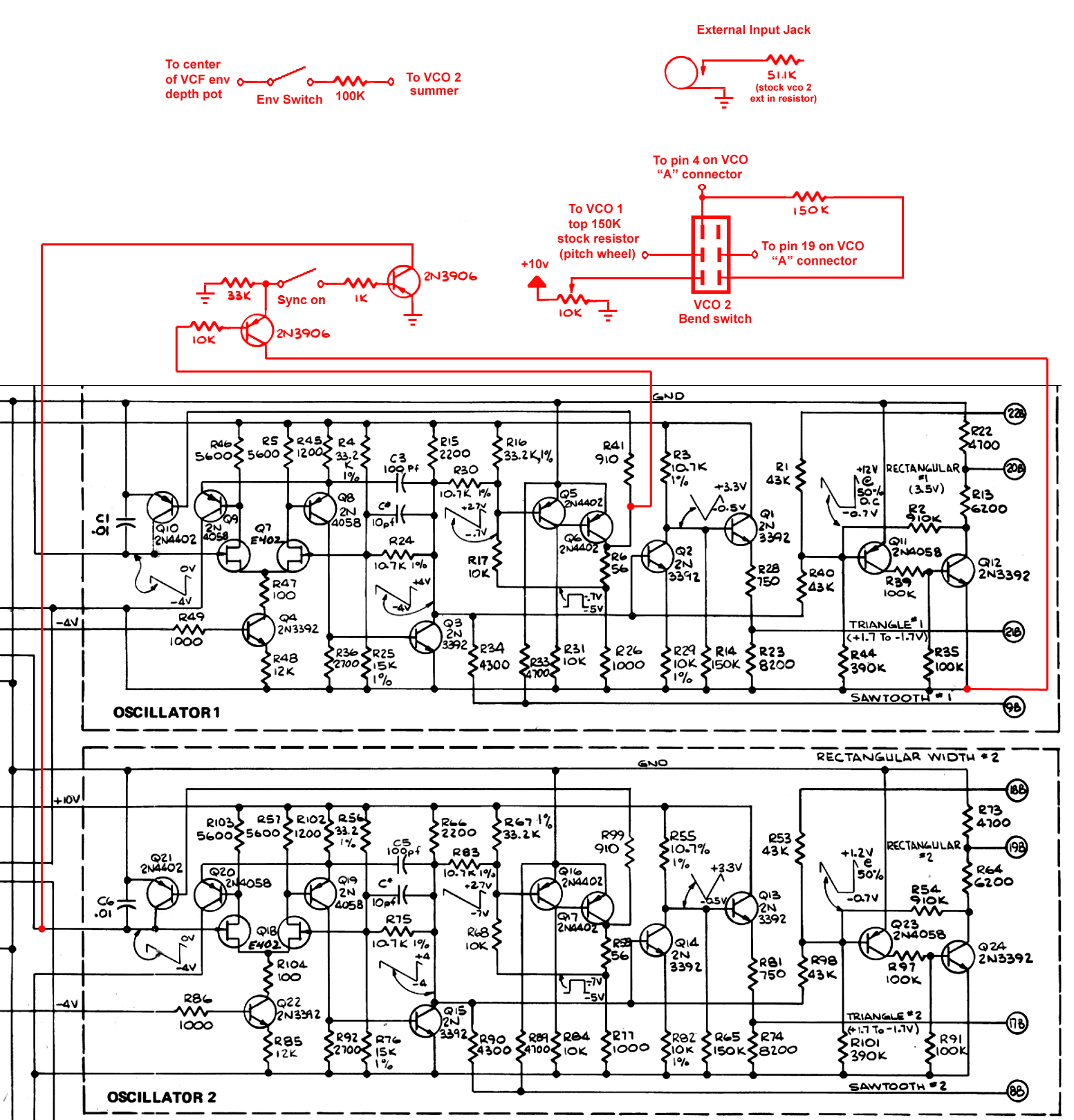
vco sync mod schemo.psd
wheelcolors2.jpg